
Žaliuzes formos tvora
€23.00
Žaliuzės tipo tvora – moderni, tvirta ir stilinga
Siūlome aukštos kokybės žaliuzės tipo tvoras su loveliu, kurį galite patys lengvai išstatyti naudojant tvoralenčius.
Pagrindinės savybės:
Tvoros aukštis: 1000–2000 mm
Segmento ilgis: iki 3000 mm
Lankstiniai: 9 vnt. kvadratiniame metre
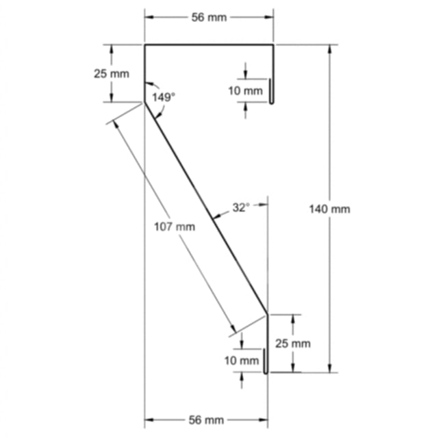
Profilio plotis: 60 mm
Lamelės dengiamas plotas: 120 mm
Skardos storis: 0,5 mm
Kaina nuo 23 € / m
Papildomos galimybės:
Galimas montavimas su tvoralenčiais arba stulpų betonavimas, pritaikoma pagal Jūsų poreikius
Platus spalvų pasirinkimas, kad tvora puikiai derėtų prie Jūsų aplinkos
Dėl kainos ir išsamesnės informacijos kviečiame susisiekti WhatsApp platformoje arba telefonu:
📞 +370 647 92212
Garantija:
Suteikiame 5 metų garantiją metalo gaminiams, išskyrus vartus ir vartelius. Garantija taikoma visiems kitiems mūsų metalo produktams, užtikrinant jų ilgaamžiškumą ir kokybę.
Prieš užsakant – susisiekite kainos suderinimui.📞 +370 647 92212


